Analog Devices Inc. ADA4098-1/-2 Over-The-Top™ Precision Op Amps

Analog Devices Inc. ADA4098-1/-2 Over-The-Top™ Precision Op Amps provide inputs that operate from −VS to +VS and beyond, referred to as Over-The-Top. The ADA4098-1/-2 features offset voltages of <30μV, input bias currents (IB) of <700pA, and can operate on single or split supplies that range from 3V to 50V. Furthermore, the ADA4098-1 draws only 165μA of supply current.

The ADI ADA4098-1/-2 Over-The-Top input stage has robust input protection features for abusive environments. The inputs can tolerate up to 80V of differential voltage without damage or degradation to dc accuracy. The operating common-mode input range extends from rail-to-rail and beyond, up to 70V > –VS, independent of the +VS supply.

The ADA4098-1/-2 is unity-gain stable and can drive loads requiring up to 20mA. The Op-Amps additionally drive capacitive loads as large as 200pF. The device is available with a low power shutdown.

The ADA4098-1 is available in a standard, 6-lead thin small outline transistor (TSOT) package. The ADA4098-2 is available in an 8-lead standard small outline (SOIC_N) package, 8-lead mini small outline package (MSOP), and 10-lead lead-frame chip-scale package (LFCSP).

Features

  • −VS − 0.1V to −VS + 70V Ultrawide common-mode input range
  • +3V to +50V (to ±25V for PSRR) Wide power supply voltage range
  • 165μA (typical) Low power supply current
  • ±30μV maximum Low input offset voltage
  • ±0.5μV/°C maximum (B grade) Low input offset voltage drift
  • Low input voltage noise
    • 6Hz typical 1/f noise corner
    • 400nV p-p typical at 0.1Hz to 10Hz
    • 17nV/√Hz typical at 100Hz
  • High speed
    • 1.05MHz typical for fTEST = 2.5kHz GBP
    • 0.85V/μs typical at ΔVOUT = 25V Slew rate
  • 20μA maximum Low power supply current shutdown
  • ±700pA maximum Low input offset current
  • 126dB minimum for ΔVOUT = 4V Large signal voltage gain
  • CMRR: 123dB minimum at VCM = −0.1V to +70V
  • PSRR: 123dB minimum at VSY = +3V to ±25V
  • Input overdrive tolerant with no phase reversal
  • ±4kV HBM and ±1.25kV FICDM
  • −55°C to +150°C (H grade) Wide temperature range

Applications

  • Industrial sensor conditioning
  • Supply current sensing
  • Battery and power supply monitoring
  • Front-end amplifiers in abusive environments
  • 4mA to 20mA transmitters

Additional Resources

Protect Against Overvoltages in Analog Front Ends
This article illustrates how Over-The-Top amplifiers can provide protection against overvoltage in industrial applications.

Learn More

TYPICAL APPLICATION CIRCUIT

Application Circuit Diagram - Analog Devices Inc. ADA4098-1/-2 Over-The-Top™ Precision Op Amps

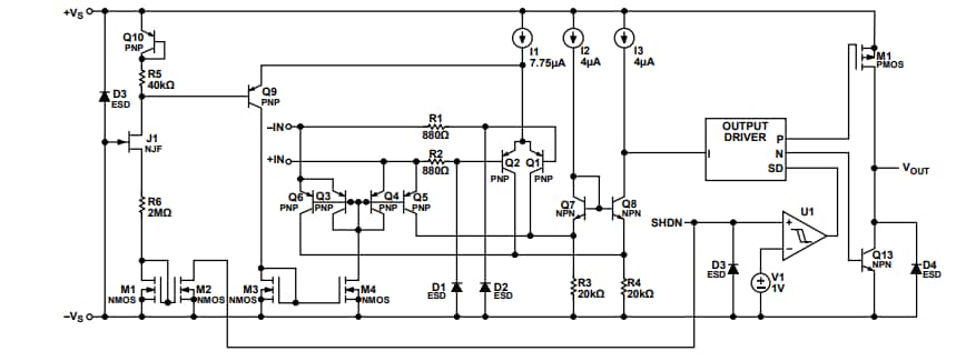
Simplified Schematic

Schematic - Analog Devices Inc. ADA4098-1/-2 Over-The-Top™ Precision Op Amps
Inilathala: 2021-08-16 | Na-update: 2022-04-24