Analog Devices Inc. ADMT4000 True Power-On Multi-Turn Position Sensor
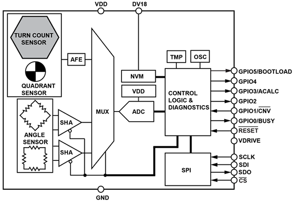
Analog Devices ADMT4000 True Power-On Multi-Turn Position Sensor is a magnetic turn count sensor capable of recording the number of rotations of a magnetic system even while the device is powered down. On power-up, the device can be interrogated to report the absolute position of the system via SPI. The ADMT4000 counts up to 46x turns of an external magnetic field, incrementing the absolute position in a clockwise direction. Analog Devices ADMT4000 True Power-On Multi-Turn Position Sensor includes a giant magneto resistance (GMR) turn count sensor (used to count the number of system rotations), a GMR quadrant detecting sensor, and an anisotropic magnetoresistive (AMR) angle sensor. The AMR angle sensor, used with a GMR quadrant detecting sensor, determines the absolute position of the system within 360°. Combining the GMR turn count sensor with the AMR angle sensor output enables the device to report the system position with high angular accuracy.Features
- True power-on multiturn counter
- 46-turn magnetic sensor
- Clockwise positive count from magnetic reset
- >16k° digital output
- ±0.25° accuracy
- 100kSPS measurement update rate
- 16mT to 31mT operating range
- Internal temperature sensor
- 3.3V IC supply
- 1.8V to 5V SPI interface
- 24-pin TSSOP package
- -40°C to +150°C junction temperature range
Applications
- Rotation count detection and storage without power
- Contactless absolute position measurement
- Brushless DC motor control and positioning
- Actuator control and positioning
Videos
Block Diagram
Evaluation Board
Resources
Inilathala: 2022-11-09
| Na-update: 2025-09-30
