Analog Devices / Maxim Integrated MAX20327 DPDT Analog Switch
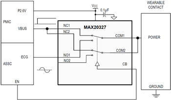
Analog Devices MAX20327 DPDT Analog Switch is an ultra-small, low-on-resistance (RON) double-pole/double-throw (DPDT) analog switch that features Beyond-the-Rails™ capability. Beyond-the-Rails allows signals from -5.5V to +12V to pass without distortion, even when the power supply is below the signal range. The low on-resistance (0.2Ω) also makes the devices ideal for low-distortion switching applications, such as audio or video.The Analog Devices MAX20327 is fully specified to operate from a single +1.6V to +5.5V power supply. Because of the low supply current requirement, VCC can be provided by a GPIO. When power is not applied, the switches go to a high-impedance mode, and all analog signal ports can withstand signals from -5.5V to +5.5V. The switches are controlled with a single control bit (CB).
Features
- Distortion-free Beyond-the-Rails Signaling
- Negative voltage audio and video signal capable
- -5.5V to +12V analog signal range independent of VCC
- On-resistance of 0.2Ω (Typ.)
- +1.6V to +5.5V single-supply range
- 0.001% (Typ.) total harmonic distortion plus noise
- The on-resistance flatness of 0.001Ω (Typ.)
- Low supply current of 30μA (Typ.) at 1.6V
- The device can be powered by GPIO
- High-impedance mode when VCC is not applied
- ESD protection on COM_
- ±15kV human body model
- ±8kV IEC 61000-4-2 air gap
- ±6kV IEC 61000-4-2 contact
- Design flexibility
- Break-Before-Make operation
- 9-bump WLP (1.6mm x 1.6mm)
- -40°C to +85°C operating temperature range
Applications
- Cell phone
- Tablet
- Portable audio/video equipment
- Portable navigation devices
Inilathala: 2018-08-31
| Na-update: 2023-04-25
