Broadcom HDSP-2x Ultra Mini Seven Segment Displays
Broadcom HDSP-2x Ultra Mini Seven Segment Displays are 8mm (0.31") space-efficient modules featuring a right-hand decimal point. These displays are available in red or green with evenly lighted segments on a gray back surface for optimum contrast. The series features AlInGaP LED chip technology, common anode or common cathode, 20mA DC forward current, 100mA peak forward current, and 52mW power dissipation. Broadcom HDSP-2x Ultra Mini Seven Segment Displays operate in a temperature range of -35°C to +85°C and come in a compact package designed for indoor use.Features
- Compact package
- Right-hand decimal point
- Available in red or green
- Gray back surface provides optimum contrast
- Evenly lighted segments
- AlInGaP LED chip technology
- Common anode or common cathode
- Ideal for indoor use
Specifications
- 20mA DC forward current
- 100mA peak forward current
- 52mW power dissipation
- -35°C to +85°C operating temperature range
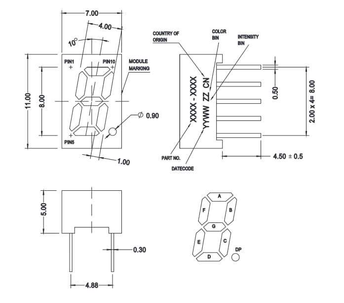
Package Drawing
Inilathala: 2019-09-23
| Na-update: 2023-06-22
