Bourns SE Breakers (Thermal Cut-Off Devices)
Bourns SE Breakers are miniature thermal cutoff (TCO) devices that control abnormal, excessive current virtually instantaneously up to rated limits. These surface-mount, small-footprint devices provide overtemperature and overcurrent protection and offer a wide range of temperature options. Bourns SE Breakers support the USB PD 240W (48V / 5A) specification and are ideal for use in USB Type C™ cables, smartphones, wearables, portable equipment, and more.
Features
- Miniature TCO device
- Surface mount, small footprint
- Overtemperature and overcurrent protection
- Controls abnormal, excessive current virtually instantaneously up to rated limits
- Wide range of temperature options
- High corrosion resistance
- Supports USB PD 240W (48V / 5A) specification
Applications
- Overtemperature protection
- USB Type-C cables (240W maximum)
- Smartphones
- Notebooks
- Heaters
- Battery cell protection
- Wearables
- Portable equipment
Specifications
- +72 ±5°C to +85 ±5°C trip temperature range
- +40°C minimum reset temperature
- 200mA maximum leakage current at +25°C maximum
- 9VDC / 25A, 6000 cycles contact rating
- 54VDC / 5A, 100 cycles maximum voltage
- Minimum holding voltage
- 3V at +25°C for 1 minute
- 5V at +25°C for 1 minute
- 5mΩ maximum resistance
Circuit Diagram
Product Structure
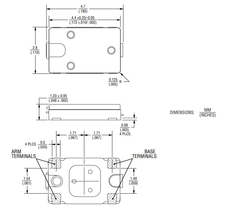
Dimensions
Inilathala: 2026-01-12
| Na-update: 2026-01-19
