MaxLinear XR77103-MoCA Triple-Output PMIC
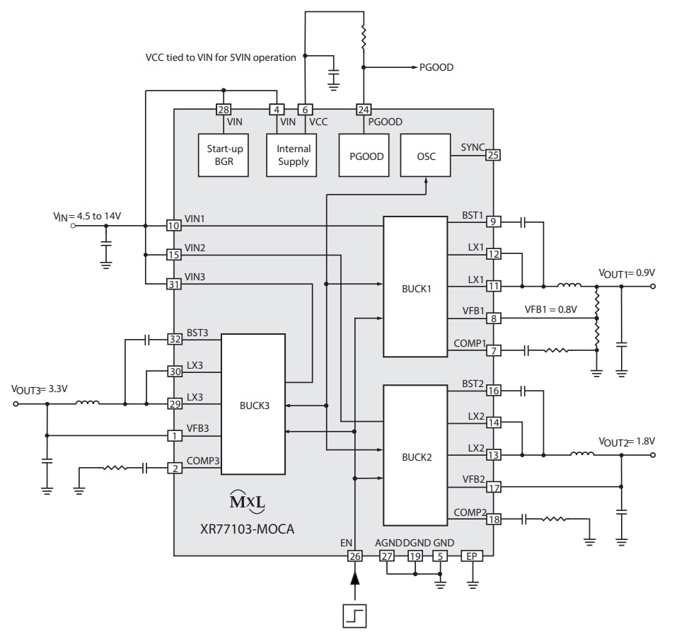
MaxLinear XR77103-MoCA Triple-Output PMIC is intended for powering MaxLinear’s G.hn chipsets, the MoCA 2.0 MxL370x, MoCA 2.5 MxL371x, and a single port ethernet phy (GPY241). The XR77103-MoCA PMIC offers three high-efficiency synchronous buck regulators with integrated power switches and a sequencing engine to support the MoCA SoC’s 0.9V, 1.8V, and 3.3V rails. The 0.9V core rail can supply the 3A peaks demanded by the SoC(1) and is compatible with the SoC DVS control.The MaxLinear XR77103-MoCA Triple-Output PMIC for MaxLinear MoCA Solutions operates from 5V, 9V, and 12V powered systems with minimal required external components. The device provides a nominal switching frequency of 560kHz, allowing the regulators to be synchronized to an external clock in applications where EMI control is demanded. An internal supervisor circuit monitors each converter output and advances PGOOD once sequencing is done, outputs are reported in regulation, and the reset timer expires. The polarity of the signal is active high.
The XR77103-MoCA Triple-Output PMIC is available in a 4x4mm QGN package delivering a small solution size.
Features
- 4.5V to 14V wide input supply voltage range
- Built-in MOSFET and synchronous rectifier
- High accuracy 0.9V reference (1%)
- Current-mode control with a simple compensation circuit
- External synchronization
- Power good
- Protection
- Thermal shutdown
- Overvoltage transient protection
- Overcurrent protection
- 32-pin 4mm x 4mm TQFN package
Applications
- MaxLinear MoCA 2.0 MxL370x power
- MaxLinear MoCA 2.5 MxL371x power
Associated Eval Board
Additional Resources
Typical Application
Block Diagram
Inilathala: 2021-11-14
| Na-update: 2022-03-11
