Monolithic Power Systems (MPS) MP4657A LED Driver & System Voltage Controllers
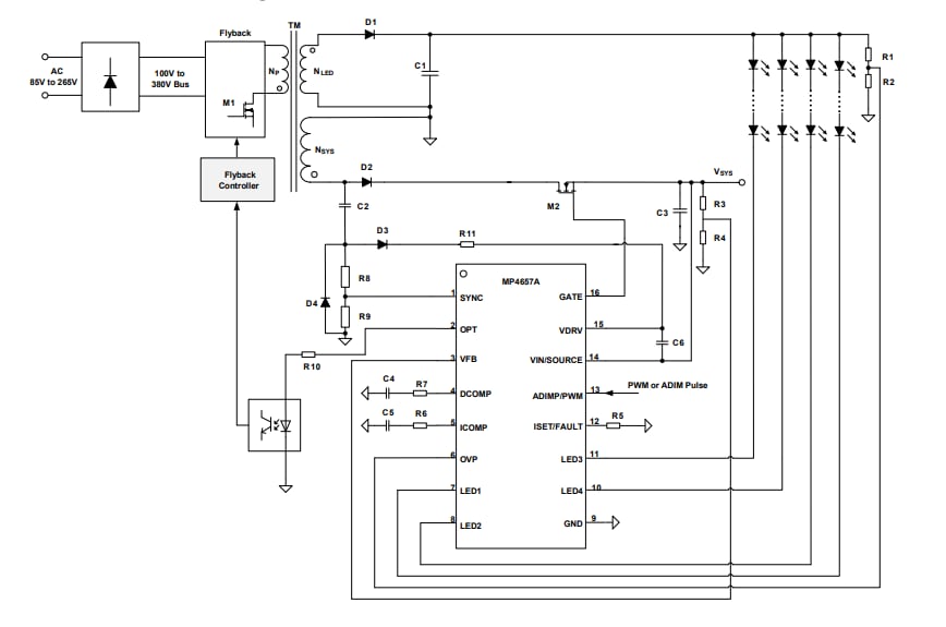
Monolithic Power Systems (MPS) MP4657A 4-String LED Driver and System Voltage Controllers are built for LED backlighting on the secondary side. The MP4657A controls the flyback power stage and utilizes an external N-channel MOSFET to regulate the system output voltage, and the LED current loop with integrated 4-string LED current balancing. Implementing a 4V to 16V input voltage, the device outputs a direct driving signal to control the N-channel MOSFET for regulating the system output voltage. Furthermore, the device outputs a compensation signal to control the primary-side flyback (or other power stages) through an optocoupler.The MPS MP4657A 4-String LED Driver and System Voltage Controllers feature-rich protections to increase the system reliability. Protections are optimized for the system voltage and LED driver stages. LED driver stage protections include LED open protection, LED short protection, and LEDx pin short to ground protection. The system voltage stage protections include over-voltage protection (OVP) and feedback open-loop protection. Additionally, the MP4657A also has thermal protection.
The MP4657A 4-String LED Driver and System Voltage Controllers are housed in a SOIC-16 package.
Features
- Single-stage flyback for high-efficiency LED current and system voltage regulation
- Individual control method for the LED driver stage and system voltage stage
- 4V to 16V supply voltage
- 4-String, 80V LED current balancing
- 1.5% System voltage accuracy
- 1.5% LED Current accuracy and 2% LED current balancing
- Low LEDx regulation voltage, high efficiency
- Fast dynamic control, fast response
- System Supply Over-Voltage Protection (OVP)
- System supply short protection
- LED Open, LED short protection
- LEDx Pin short to ground protection
- Feedback open-loop protection for system voltage
- Soft switching for the external N-channel MOSFET
- Thermal protection
- Available in a SOIC-16 package
Applications
- LCD Monitor and TVs
- Desktop LCD flat panel displays
- Flat-panel video displays
Typical Application
Inilathala: 2022-06-22
| Na-update: 2022-06-24
