Nexperia 74LV123 Monostable Multivibrator
Nexperia 74LV123 monostable multivibrator is low voltage and dual re-triggerable. The 74LV123 from Nexperia is pin and function compatible with the 74HC123 and 74HCT123. The basic time pulse is programmed by using an external resistor and capacitor. Once the basic output pulse is established the output pulse period may be controlled by setting control pins high or low. Schmitt-trigger action in the inputs makes the circuit highly tolerant of slower input rise and fall times.Features
- 1V to 5.5V optimized for low-voltage applications
- Accepts TTL input levels between VCC = 2.7V and VCC = 3.6V
- DC triggered from active HIGH or active LOW inputs
- Re-triggerable for long pulses up to 100% duty factor
- Direct reset terminates output pulses
- Schmitt-trigger action on all inputs except for the reset input
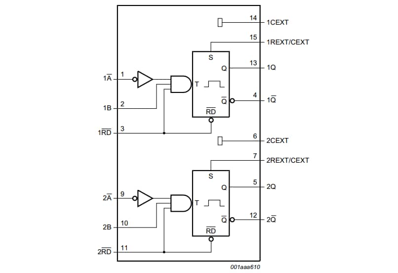
Block Diagram
Inilathala: 2016-03-24
| Na-update: 2022-03-11
