Qorvo QPM1002 8.5–10.5GHz GaN T/R Modules
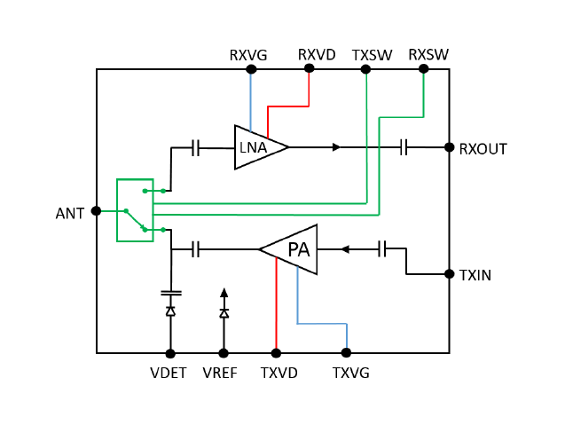
Qorvo QPM1002 GaN T/R Modules offer an 8.5GHz to 10.5GHz frequency range designed for X-Band radar applications. The QPM1002 modules are comprised of a T/R switch, a low-noise amplifier, and a power amplifier. The receive path provides a 25dB gain with a 2.2dB low noise figure. Alternately, the transmit path provides a 33dB small signal gain and can deliver 3W saturated power with a 32% PAE, with a 25dB large signal gain.The QPM1002 features up to 2W input power into the ANT port eliminating the need for a limiter. The module is fabricated on QGaN25 0.25µm GaN-on-SiC process. The QPM1002 performs well in high-temperature environments within a 5mm x 5mm QFN surface mount package with an over-mold encapsulant, coupled with a high thermal conductivity die-attach process. The device supports tight lattice spacing requirements needed for X-Band phased array radar applications due to its compact size.
Features
- 8.5GHz to 10.5GHz frequency range
- 2.2dB RX noise figure
- 25dB RX small signal gain
- 16dBm RX saturated power
- 22dBm RX output TOI
- 33dB TX small signal gain
- 25dB TX large signal gain
- 35dBm TX saturated power (pulsed)
- 32% TX PAE at 35dBm pout (pulsed)
- 38.5dBm TX output TOI at 6dBm pin/tone
- 35dBc TX harmonics suppression
- 5mm x 5mm x 0.85mm package dimensions
Applications
- Electronics warfare (EW)
- Commercial and military radar
- Communications
Functional Block Diagram
Inilathala: 2019-06-19
| Na-update: 2025-08-27
