Renesas Electronics ISL68239 12-Phase PWM Controllers

Renesas Electronics ISL68239 12-Phase PWM Controllers offer a digital triple output multiphase (X+Y+Z ≤ 12) supporting PMBus v1.3/AVSBus interfaces. The device can support any phase assignments up to twelve phases across the three outputs (X, Y, and Z). Expanded power density, incorporated with support for the PMBus v1.3 interface, enables the device to support any challenging power supply requirement.

Additionally, the ISL68239 with AVSBus complements PMBus by supplying a common high-speed interface to accelerate point-to-point communication between the controller and load, statically and dynamically controlling the processor voltage, delivering a balanced, power-efficient design.

The Renesas ISL68239 uses the proprietary Renesas digital synthetic current modulation scheme to reach the most suitable combination of transient response, ease of tuning, and efficiency across the whole load range. Diode emulation and automatic phase add/drop features allow maximum efficiency from the converter regardless of load conditions. The intuitive PowerNavigator™ software can be used to configure and monitor the device.

Features

  • Advanced linear digital modulation scheme
    • Auto phase add/drop with PFM mode for excellent load vs efficiency profile
    • Dual edge modulation with optional diode braking for faster transient response
    • Excellent VOUT transition performance
    • Zero-latency synthetic current control for excellent high-frequency current balance
  • Flexible phase assignment from 0 to 12 phases per output
  • Up to 2MHz switching frequency operation for high-density designs
  • SMBus/PMBus v1.3 compatible
  • Differential remote voltage sensing supports ±0.5% closed-loop system accuracy over load, line, and temperature
  • Highly accurate current sensing for excellent load-line regulation and accurate OCP
    • Supports the full range of Renesas Smart Power Stage (SPS) devices
  • Comprehensive fault management enables high-reliability systems
    • Pulse-by-pulse (per phase) and total output current limiting
    • Black Box status recording capability with the first fault indicator
  • Intuitive configuration using PowerNavigator software
  • Up to 16 user configurations stored in the device Non-Volatile Memory (NVM)

Applications

  • DDR memory solutions
  • Artificial intelligence/Accelerator cards (FPGA, ASIC)
  • Network equipment
  • Server/storage equipment
  • Telecom/Datacom equipment
  • Point of load power supply (memory, DSP, ASIC, FPGA)

Specifications

  • 4.5V to 18V input voltage
  • 0V to 3.05V output voltage
  • -40 to +85°C operating temperature range

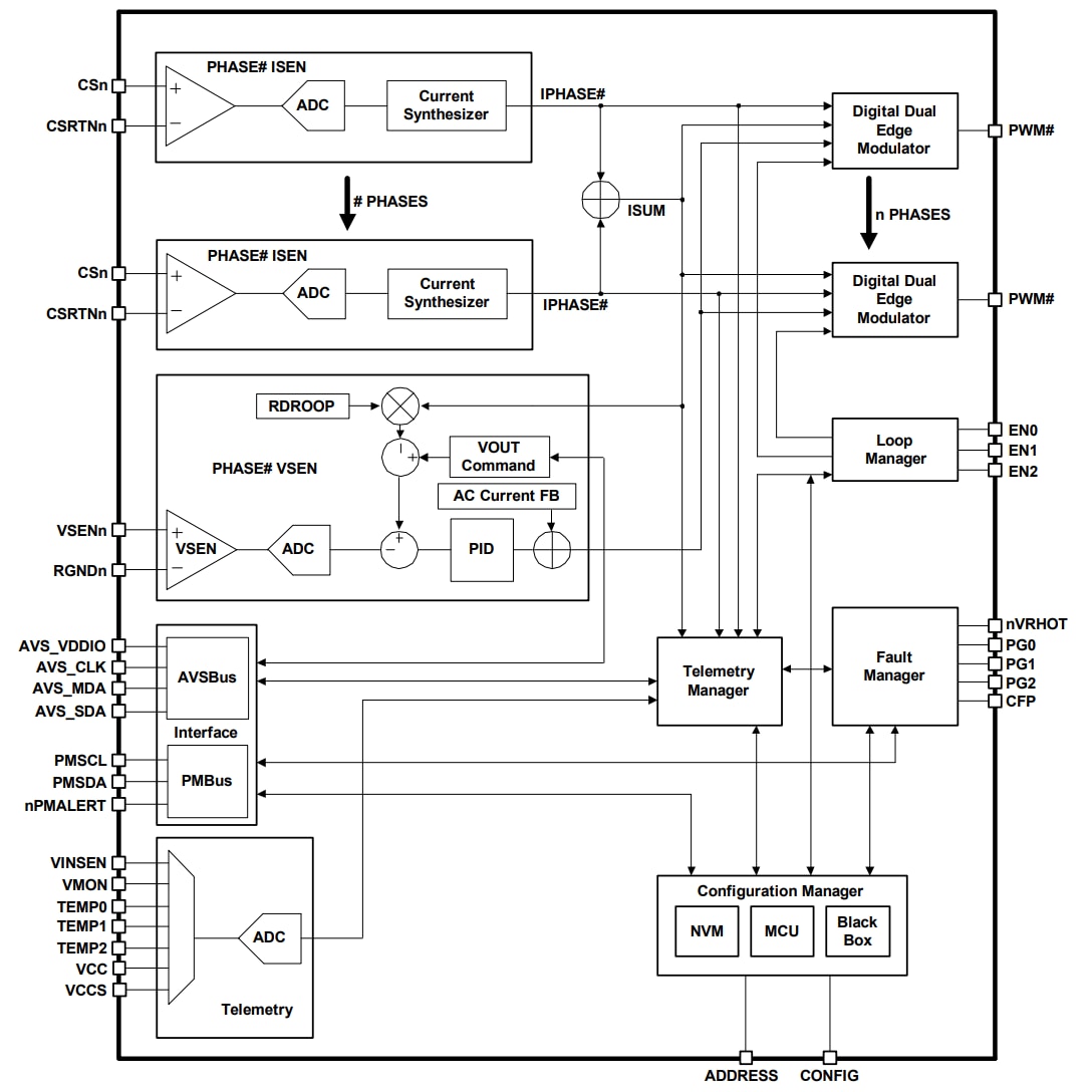
Block Diagram

Block Diagram - Renesas Electronics ISL68239 12-Phase PWM Controllers
Inilathala: 2025-09-15 | Na-update: 2026-02-05