Texas Instruments AMC1106 Basic Isolated Delta-Sigma Modulators
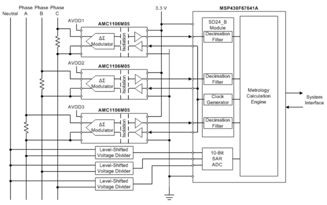
Texas Instruments AMC1106 Small Basic Isolated Delta-Sigma Modulators include ±50mV input and Manchester-Encoded CMOS interface, as well as offering system-level diagnostic features. The device provides output separated from the input circuitry by a capacitive isolation barrier which is highly resistant to magnetic interference. The AMC1106 input stage is optimized for direct connection to shunt resistors or other low voltage-level signal sources.These are used in multi-phase electricity meters to achieve an ideal ac and dc performance. The ±50mV low input voltage range grants the use of small shunt resistor values to minimize power dissipation. The AMC1106 decimates the output bitstream with a relevant digital filter. The digital filters are integrated for seamless operation with the AMC1106 through the MSP430F67x, TMS320F2807x, and TMS320F2837x microcontrollers, with the AMC1210 filter. 3.3V operation for reduced power dissipation is offered on both sides of the isolation barrier. The modulator is supplied by a 3.3V or 5V power supply (AVDD) on the high side. 3.0V, 3.3V, or 5V power supply (DVDD) is operated from the isolated digital interface. The device is specified over the extended industrial temperature range of –40°C to +125°C.
Features
- ±50mV Input voltage range optimized for current measurement with shunt resistors
- Manchester coded or uncoded bitstream options
- Excellent DC performance for high-precision sensing on the system level:
- ±50µV, ±1µV/°C (max) Offset error and drift
- ±0.2%, ±40ppm/°C (max) Gain error and drift
- 3.3V Operation for reduced power dissipation on both sides of the isolation barrier
- High electromagnetic field immunity (see the ISO72x digital isolator magnetic-field immunity application report)
- System-level diagnostic features
- Safety-related certifications:
- 5657VPK Basic isolation per DIN V VDE V 0884-11 (VDE V 0884-11): 2017-01
- 4000VRMS Isolation for 1 minute per UL1577
- CAN/CSA No. 5A-Component acceptance service notice, IEC 60950-1, and IEC 60065 end equipment standards
AMC1106 Diagram
