Texas Instruments LM7171 Voltage Feedback Amplifier
Texas Instruments LM7171 Voltage Feedback Amplifier is a high-speed voltage feedback amplifier with the slewing characteristic of a current feedback amplifier. It can also be used in all traditional voltage feedback amplifier configurations. The LM7171 is stable for gains as low as +2 or −1. It provides a very high slew rate at 4100V/μs and a wide unity-gain bandwidth of 200MHz while consuming only 6.5mA of supply current. It is ideal for video and high-speed signal processing applications such as HDSL and pulse amplifiers. With a 100mA output current, the LM7171 can be used for video distribution, a transformer driver, or a laser diode driver.Operation on ±15V power supplies allows for large signal swings and provides greater dynamic range and signal-to-noise ratio. The LM7171 offers low SFDR and THD, ideal for ADC/DAC systems. In addition, the LM7171 is specified for ±5V operation for portable applications. The LM7171 is built on Texas Instruments' advanced VIP III (Vertically Integrated PNP) complementary bipolar process.
Features
- Easy-to-use voltage feedback topology
- 2400V/μs very high slew rate
- 200MHz wide unity-gain bandwidth
- −3dB frequency @ AV = +2 (220MHz)
- 6.5mA low supply current
- 85dB high open-loop gain
- 100mA high output current
- Specified for ±15V and ±5V operation
- Available with radiation guarantee
- Total ionizing dose 300 Krad(Si)
- ELDRS free 300 Krad(Si)
Applications
- HDSL and ADSL drivers
- Multimedia broadcast systems
- Professional video cameras
- Video amplifiers
- Copiers/scanners/fax
- HDTV amplifiers
- Pulse amplifiers and peak detectors
- CATV/fiber optics signal processing
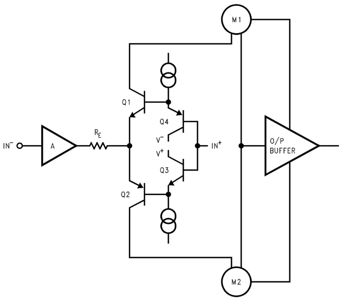
Simplified Schematic
Inilathala: 2021-11-29
| Na-update: 2025-03-10
