STMicroelectronics L9788 Multifunction IC
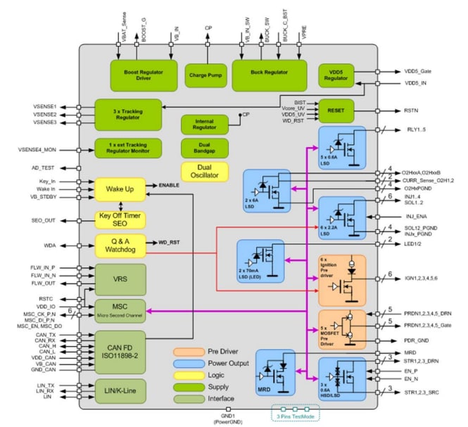
STMicroelectronics L9788 Multifunction IC is designed for automotive engine management systems. STMicroelectronics L9788 PMIC employs ST BCD proprietary technology to provide the full power supplies and signal preprocessing peripherals needed to control a 4-cylinder internal combustion engine. The L9788 multifunction ICs are AEC-Q100 qualified and available in an LQFP-100 exposed pad package.Features
- AEC-Q100 qualified
- Engineered for ISO26262-compliant system
- One pre-boost regulator and one pre-buck regulator
- One linear 5V regulator with 1A output current
- Three independent self-protection 5V tracking regulators with 150mA output
- One input voltage pin for monitoring external tracking
- Coordinated soft start-up of all regulators
- 4-channel LS injector LS driver
- 2-channels LS driver for O2H load with current sense
- 2-channel LS camshaft or solenoid drivers
- 5-channel LS relay driver
- 2-channel LS LED driver
- 3-channel LS/HS drivers with low battery function for smart start
- 1-channel LS main relay driver (MRD) with an internal diode for reverse battery protection
- 5-channel pre-driver for external FET drivers - channels 1 and 3 configurable for O2H load with external Rshunt-on the source of Ext. N-Channel Mos
- 6-channel pre-driver for internal or external igniter drivers
- One K-Line ISO9141/LIN 2.1 compliant
- Integrated charge-pump
- VRS-interface
- Watchdog
- Pin wake-up
- Temperature sensor and monitoring
- Stop-counter with wake-up
- Dual bandgap reference and oscillator
- Micro-second-channel MSC for differential single-ended mode
- SEO function
- CAN-FD with wake up by CAN function
- Package LQFP100 exposed pad
Block Diagram
Inilathala: 2019-08-14
| Na-update: 2024-03-12
